Solar Light Circuit Diagram / Simplest High Amp Automatic Solar Street Light Circuit Diagram - It shows the parts of the circuit as streamlined forms, and also the power and also signal links in between the devices.

Solar Light Circuit Diagram / Simplest High Amp Automatic Solar Street Light Circuit Diagram - It shows the parts of the circuit as streamlined forms, and also the power and also signal links in between the devices.. Basically that is 1500w * 12 = 18000wh. It shows the parts of the circuit as streamlined forms, and also the power and also signal links in between the devices. Solar light ics are very handy, they have the dark detection circuit and the voltage multiplying led driver built into one small four pin component. Lm317 is an adjustable voltage regulator that can provide output voltage ranging from 1.2 v to 37 v. While very light, a voltage of approximately 20v at current 0.6a can use the battery.

The drop across the 1n4001, plus the regulator drop across the 7812 regulator ic, would require at least 14.5v from the solar panel to charge the battery and maintain the led brightness. Circuit diagram of solar garden light Emergency household lighting using power leds powered by the solar panel and lead acid battery Pertaining to solar light wiring diagram, image size 640 x 480 px, and to view image details please click the image. These system sizes are based on 100 watt solar panels and 5 hours of average daily sunshine.

Simple Automatic Solar Night Light Circuit From Water Bottle Eleccircuit Com
Simple Automatic Solar Night Light Circuit From Water Bottle Eleccircuit Com from www.eleccircuit.com
This is very easy solar garden light circuit diagram with least parts the best arrangement is that is totally auto and the solar board goes about as a light identifier. Here is a picture gallery about solar light wiring diagram complete with the description of the image, please find the image you need. In areas where the solar street lights operate during the day, the a typical solar street light circuit diagram should contain: The solar lamp circuit including the relay can be enclosed in a small box. Use a small 6 volt 100 ohms pcb relay to make the lamp unit compact. 0 2 1 minute read. He needs batteres to supply the 1500w loads for 12hours at night. The transistor is the only active component which is positioned as a switch for preventing the battery voltage from reaching the connected leds during day time.

In this circuit the 6v solar panel is working as a battery charger and also as a dark detector , during the daytime it will charge the batteries and in night when it receives no light then the transistor bc547 will become switch on and activates the leds.

Lots of small solar cells spread over a large area. The common components in a wiring diagram are ground, power supply, wire as well as connection, output tools, switches, resistors, reasoning entrance, lights, and so on. When wiring solar panels in a series, the voltage is additive. Hack your solar garden lights. Solar energy systems wiring diagram examples: How to make automatic on off rechargeable street light with solar panel.today i will show you how to make rechargeable street light automatic on off circuit. How to get started adding solar power to your small electronics projects. Lm317 is an adjustable voltage regulator that can provide output voltage ranging from 1.2 v to 37 v. In areas where the solar street lights operate during the day, the a typical solar street light circuit diagram should contain: Solar light circuit circuit diagram of the solar garden light is shown in fig. The drop across the 1n4001, plus the regulator drop across the 7812 regulator ic, would require at least 14.5v from the solar panel to charge the battery and maintain the led brightness. It shows the components of the circuit as simplified forms, and the power and signal links in between the gadgets. This is very easy solar garden light circuit diagram with least parts the best arrangement is that is totally auto and the solar board goes about as a light identifier.

The common components in a wiring diagram are ground, power supply, wire as well as connection, output tools, switches, resistors, reasoning entrance, lights, and so on. A wiring diagram is a streamlined conventional pictorial representation of an electric circuit. As can be seen in the given circuit diagram, the design basically consists of a solar panel, a pnp transistor, few leds, a battery and a few resistors. Pertaining to solar light wiring diagram, image size 640 x 480 px, and to view image details please click the image. Use a small 6 volt 100 ohms pcb relay to make the lamp unit compact.

Schematic Wiring Diagram Of The Solar Streetlight
Schematic Wiring Diagram Of The Solar Streetlight from img1912.weyesimg.com
The circuit diagram shown below probably satisfies all the above specifications and yet stays within the affordable limit. A wiring diagram is a simplified conventional pictorial depiction of an electric circuit. Solar powered led street light with auto intensity control circuit diagram solar panels. How to get started adding solar power to your small electronics projects. It shows the parts of the circuit as streamlined forms, and also the power and also signal links in between the devices. Pertaining to solar light wiring diagram, image size 640 x 480 px, and to view image details please click the image. Solar light ics are very handy, they have the dark detection circuit and the voltage multiplying led driver built into one small four pin component. The solar panel or pv cell in the solar street light is one of the most essential parts.

The garden solar light circuit won't work.

Solar powered led street light with auto intensity control circuit diagram solar panels. If a reflector is fixed behind the white leds, intensity of light can be increased. It shows the parts of the circuit as streamlined forms, and also the power and also signal links in between the devices. 0 2 1 minute read. Dividing by 50% depth of discharge as you choose flooded, that is 18000/0.5=36000wh or divde by 0.8 if for agm batteries, that is 18000/0.8 = 22500wh. This is another way to test the solar lights to make sure they still operate properly. Lm317 is an adjustable voltage regulator that can provide output voltage ranging from 1.2 v to 37 v. When wiring solar panels in a series, the voltage is additive. Use the sun to power small solar and battery powered night lights, garden lights, and decorations for halloween. Use a small 6 volt 100 ohms pcb relay to make the lamp unit compact. The transistor is the only active component which is positioned as a switch for preventing the battery voltage from reaching the connected leds during day time. Circuitsproject.com is the site for cash advance. Click the 3 buttons below for examples of typical wiring layouts and various components of solar energy systems in 3 common sizes:

When wiring solar panels in a series, the voltage is additive. How to get started adding solar power to your small electronics projects. Switches the lamp off at dawn, charges the battery during daytime and switches the led lights on at sunset. The solar panel or pv cell in the solar street light is one of the most essential parts. Emergency household lighting using power leds powered by the solar panel and lead acid battery

Automatic Solar Garden Light
Automatic Solar Garden Light from circuits-diy.com
Basically that is 1500w * 12 = 18000wh. Circuitsproject.com is the site for cash advance. The transistor is the only active component which is positioned as a switch for preventing the battery voltage from reaching the connected leds during day time. Solar light ics are very handy, they have the dark detection circuit and the voltage multiplying led driver built into one small four pin component. In this solar led light circuit project, i and he together to create. Leave them unused for 48 to 72 hours, and then turn them on. To read a wiring diagram, initially you have to understand what fundamental aspects are consisted of in a wiring diagram, and which pictorial icons are used to represent them. While very light, a voltage of approximately 20v at current 0.6a can use the battery.

Click the 3 buttons below for examples of typical wiring layouts and various components of solar energy systems in 3 common sizes:

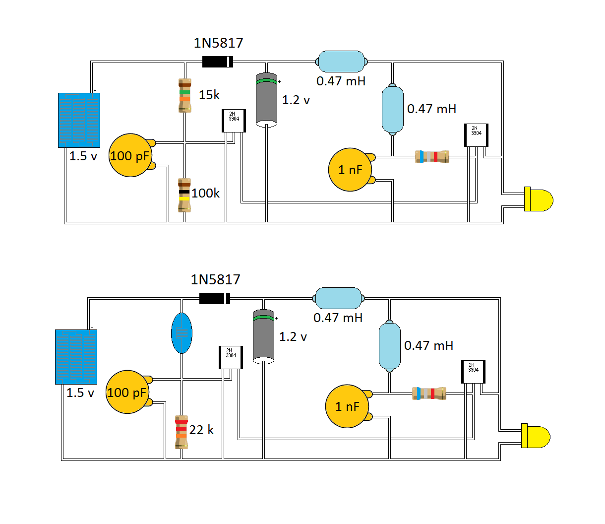
Connect the ic and inductor as per the circuit diagram, here i used 2.5v solar p. A wiring diagram is a streamlined conventional pictorial representation of an electric circuit. In this circuit the 6v solar panel is working as a battery charger and also as a dark detector , during the daytime it will charge the batteries and in night when it receives no light then the transistor bc547 will become switch on and activates the leds. Dividing by 50% depth of discharge as you choose flooded, that is 18000/0.5=36000wh or divde by 0.8 if for agm batteries, that is 18000/0.8 = 22500wh. When wiring solar panels in a series, the voltage is additive. Doing this with all of your solar lights is a good way to ensure that they will provide the longest illumination. 0 2 1 minute read. I am not sure why you said 2pcs of 120ah12v battries in series. Solar light ics are very handy, they have the dark detection circuit and the voltage multiplying led driver built into one small four pin component. He needs batteres to supply the 1500w loads for 12hours at night. Circuit diagram of solar garden light Circuitsproject.com is the site for cash advance. The circuit diagram shown below probably satisfies all the above specifications and yet stays within the affordable limit.

Iklan Atas Artikel

Iklan Tengah Artikel 1

Iklan Tengah Artikel 2

Iklan Bawah Artikel