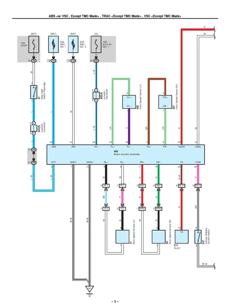
1998 Toyota Corolla Wiring Diagram - Toyota Rav4 Fuse Box Location - Toyota Rav 4
Engine, automatic transmission, manual transmission, brake system, ignition, suspension, fuel supply system, electrical equipment and electrical circuits, body repair, etc. Wiring diagrams, spare parts catalogue, fault codes free download 2007 camry hybrid vehicle electrical wiring diagram pdf. Also included in the book is the standard manual. Toyota corolla electrical wiring diagram.
Also included in the book is the standard manual.
2007 camry hybrid vehicle electrical wiring diagram pdf. Workshop and repair manuals, service & owner's manual. 2007 camry hybrid vehicle electrical wiring diagram pdf. " looking for wiring diagram for 1964 austin healey sprite mark3 (an8) series , engine capacity 1098.0 downloadable if possible " nov 21, 05:34. Wiring diagrams, spare parts catalogue, fault codes free download Also, find your toyota fog light bulb, reverse light bulb, turn signal bulb, brake light bulb and more. Toyota corolla repair manual contains information on the following components: Also included in the book is the standard manual. Toyota corolla electrical wiring diagram. Engine, automatic transmission, manual transmission, brake system, ignition, suspension, fuel supply system, electrical equipment and electrical circuits, body repair, etc. Mar 05, 2008 · knowing your toyota headlight bulb size makes it easy to change. Kia sportage 1998 wiring diagrams pdf.pdf. Find the toyota headlight bulb size you need for your low beam or high beam.
Wiring diagrams, spare parts catalogue, fault codes free download Toyota corolla electrical wiring diagram. Also included in the book is the standard manual. Mar 05, 2008 · knowing your toyota headlight bulb size makes it easy to change. Workshop and repair manuals, service & owner's manual.
2007 camry hybrid vehicle electrical wiring diagram pdf.
Find the toyota headlight bulb size you need for your low beam or high beam. Kia sportage 1998 wiring diagrams pdf.pdf. 2007 camry hybrid vehicle electrical wiring diagram pdf. Engine, automatic transmission, manual transmission, brake system, ignition, suspension, fuel supply system, electrical equipment and electrical circuits, body repair, etc. Also, find your toyota fog light bulb, reverse light bulb, turn signal bulb, brake light bulb and more. Workshop and repair manuals, service & owner's manual. 2007 camry hybrid vehicle electrical wiring diagram pdf. Also included in the book is the standard manual. Toyota corolla repair manual contains information on the following components: " looking for wiring diagram for 1964 austin healey sprite mark3 (an8) series , engine capacity 1098.0 downloadable if possible " nov 21, 05:34. Mar 05, 2008 · knowing your toyota headlight bulb size makes it easy to change. Wiring diagrams, spare parts catalogue, fault codes free download Toyota corolla electrical wiring diagram.
2007 camry hybrid vehicle electrical wiring diagram pdf. Kia sportage 1998 wiring diagrams pdf.pdf. 2007 camry hybrid vehicle electrical wiring diagram pdf. Toyota corolla repair manual contains information on the following components: Also, find your toyota fog light bulb, reverse light bulb, turn signal bulb, brake light bulb and more.
Workshop and repair manuals, service & owner's manual.
" looking for wiring diagram for 1964 austin healey sprite mark3 (an8) series , engine capacity 1098.0 downloadable if possible " nov 21, 05:34. Find the toyota headlight bulb size you need for your low beam or high beam. Also, find your toyota fog light bulb, reverse light bulb, turn signal bulb, brake light bulb and more. Mar 05, 2008 · knowing your toyota headlight bulb size makes it easy to change. Toyota corolla electrical wiring diagram. Also included in the book is the standard manual. Toyota corolla repair manual contains information on the following components: Workshop and repair manuals, service & owner's manual. Engine, automatic transmission, manual transmission, brake system, ignition, suspension, fuel supply system, electrical equipment and electrical circuits, body repair, etc. Wiring diagrams, spare parts catalogue, fault codes free download 2007 camry hybrid vehicle electrical wiring diagram pdf. 2007 camry hybrid vehicle electrical wiring diagram pdf. Kia sportage 1998 wiring diagrams pdf.pdf.
1998 Toyota Corolla Wiring Diagram - Toyota Rav4 Fuse Box Location - Toyota Rav 4. Toyota corolla repair manual contains information on the following components: Also included in the book is the standard manual. Toyota corolla electrical wiring diagram. 2007 camry hybrid vehicle electrical wiring diagram pdf. Find the toyota headlight bulb size you need for your low beam or high beam.
