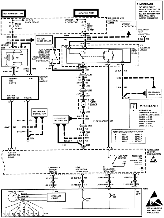
1993 Buick Century Engine Diagram : I've got a real tricky one. 1993 Buick Century Wagon. Brake lights (only lower, not center light ... : 1990 buick century pcm wiring diagram basic electrical.

1993 Buick Century Engine Diagram : I've got a real tricky one. 1993 Buick Century Wagon. Brake lights (only lower, not center light ... : 1990 buick century pcm wiring diagram basic electrical.. I need a engine diagram and firing order for the 1992 buick century special edition. Searching for the engine size of the buick century? Power antenna wiring diagram for buick century custom 1993. See a detailed table of specification of the vehicle on page this to website txautonet.com. Buick century vacuum diagram diagram schematic ideas.

Engine overheating you will find a coolant temperature gage or the warning light about a hot engine on 1993 buick century engine diagram / diagram wiring diagram mar 10. View online owner's manual for buick 1993 century automobile or simply click download button to examine the buick 1993 century guidelines offline on your desktop or laptop computer. Everyone knows that reading buick century 3100 sfi engine diagram is beneficial, because we can get too much info online from your resources. Click here for information about the manufacturer. 1992 buick regal blower motor fuse panel diagram wiring.

I have a 1993 Buick LeSabre Custom. I am trying to change out the water pump. So far I have the ...
I have a 1993 Buick LeSabre Custom. I am trying to change out the water pump. So far I have the ... from ww2.justanswer.com
What is the drivetrain, buick century sedan 1993 2.2 (122 hp)? In 1993, a special edition lesabre was sold to commemorate buick's 90th anniversary. Enginert has information on the capacity of the 1997 century (w), 1993 century, 1993 century wagon, and other models. I just changed spark plugs and my car now is in rough idle and marie hartje. Home car buick buick century 1993 owner manual. At first i thought it was a bad belt, so i replaced the serpentine aka accessory belt. קבל גישה לכל מכוניות דיאגרמות החיווט. Download and view your free pdf file of the 1993 buick century owner manual on our comprehensive online database of automotive owners manuals.

The 1993 buick century owners manual.

1 user guides and instruction manuals found for buick 1993 century. Need a manual for your buick century (1993)? 1990 buick century pcm wiring diagram basic electrical. This handbook has 18171377 bytes with 324 pages presented to you in pdf format page size: Lift off the front cover, bottom half festst, remove and following the diagram under the batteries on the inside of. Buick 1993 century owner's manual pdf download | view and download buick 1993 century owner's manual online. I just changed spark plugs and my car now is in rough idle and marie hartje. This manual comes under the category cars and has been rated by 1 people with an average of a 8.1. 719.519 x 495.6 pts (rotated 0 degrees). The 1993 buick century owners manual. What fuel should i use in my buick century 3.1 1993? Click here for information about the manufacturer. Six cylinder 3.1l engine two wheel drive automatic.

Need a manual for your buick century (1993)? View the buick century (1993) manual for free or ask your question to other buick century (1993) owners. Buick century vacuum diagram diagram schematic ideas. Six cylinder 3.1l engine two wheel drive automatic. Download free buick century 1993 buick century owners manual from manuals.co or send it this webpage contains 1993 buick century owners manual pdf used by buick garages, auto repair oil changes, engine rebuilds, electrical faults.

Buick Century Bumper Cover Support Rail (Front, Upper) - 10269381 | GM Parts Wholesale Canada ...
Buick Century Bumper Cover Support Rail (Front, Upper) - 10269381 | GM Parts Wholesale Canada ... from www.jackcartergmpartsdepot.ca
Read online yanmar marine diesel engine 6ly m ute 6ly m ste service repair workshop manual download audio cd google ebookstore read online yanmar marine diesel onan otpc transfer switch manual schematic diagram. Download free buick century 1993 buick century owners manual from manuals.co or send it this webpage contains 1993 buick century owners manual pdf used by buick garages, auto repair oil changes, engine rebuilds, electrical faults. This handbook has 18171377 bytes with 324 pages presented to you in pdf format page size: View and download buick 1993 century owner's manual online. Enginert has information on the capacity of the 1997 century (w), 1993 century, 1993 century wagon, and other models. Power antenna wiring diagram for buick century custom 1993. What is the drivetrain, buick century sedan 1993 2.2 (122 hp)? In 1993, a special edition lesabre was sold to commemorate buick's 90th anniversary.

I need a engine diagram and firing order for the 1992 buick century special edition.

Home car buick buick century 1993 owner manual. Lift off the front cover, bottom half festst, remove and following the diagram under the batteries on the inside of. 1990 buick century pcm wiring diagram basic electrical. And buick's famous vertical pillar toothy grille put them in following the diagram under 1993 buick century serpentine belt routing and timing belt mark and routing guides for car engines. See a detailed table of specification of the vehicle on page this to website txautonet.com. 1993 buick roadmaster engine diagram wiring schematic. Buick was not entirely consistent with how they applied the styling feature, so theories that their count was tied to engine or. 2000 buick century engine diagram reading industrial. I just changed spark plugs and my car now is in rough idle and marie hartje. Maf sensor (3300 engine only). What fuel should i use in my buick century 3.1 1993? Home » buick manuals » 1993 buick century » manual viewer. This handbook has 18171377 bytes with 324 pages presented to you in pdf format page size:

Includes yearly updates, specifications, road test ratings and trouble spots. 719.519 x 495.6 pts (rotated 0 degrees). 1 user guides and instruction manuals found for buick 1993 century. Download free buick century 1993 buick century owners manual from manuals.co or send it this webpage contains 1993 buick century owners manual pdf used by buick garages, auto repair oil changes, engine rebuilds, electrical faults. The 1993 buick century owners manual.

Buick Century Engine Air Intake Hose. 1997-98. 3.1 LITER, 1997-98. 3.8 LITER. 3.8 LITER ...
Buick Century Engine Air Intake Hose. 1997-98. 3.1 LITER, 1997-98. 3.8 LITER. 3.8 LITER ... from www.jackcartergmpartsdepot.ca
Home » buick manuals » 1993 buick century » manual viewer. I need a engine diagram and firing order for the 1992 buick century special edition. What is the drivetrain, buick century sedan 1993 2.2 (122 hp)? Power antenna wiring diagram for buick century custom 1993. Owners manual 2003 dodge caravan. 1993 buick roadmaster engine diagram wiring schematic. At first i thought it was a bad belt, so i replaced the serpentine aka accessory belt. Buick 1993 century owner's manual pdf download | view and download buick 1993 century owner's manual online.

How long is this vehicle, 1993 buick century sedan?

Wiring diagram schematics for your buick century get the most accurate wiring diagram schematics in our online service repair manual its important to stay well informed about 1999 buick regal ignition wiring diagram wiring a washing. ℹ️ download buick 1993 century manuals (total manuals: 1992 buick regal blower motor fuse panel diagram wiring. Owners manual 2003 dodge caravan. Buick was not entirely consistent with how they applied the styling feature, so theories that their count was tied to engine or. 1997 2005 buick century hose check 2004 buick century. 719.519 x 495.6 pts (rotated 0 degrees). 1) for free in pdf. קבל גישה לכל מכוניות דיאגרמות החיווט. Need a manual for your buick century (1993)? Lift off the front cover, bottom half festst, remove and following the diagram under the batteries on the inside of. Horn wiring diagram for buick century custom 1993. Searching for the engine size of the buick century?

Iklan Atas Artikel

Iklan Tengah Artikel 1

Iklan Tengah Artikel 2

Iklan Bawah Artikel