49Cc Chinese Scooter Wiring Diagram - Wiring Diagram Likewise Chinese Scooter Further Honda Wiring Schematic Diagram Unit / See more ideas about scooter, 150cc scooter, chinese scooters.

49Cc Chinese Scooter Wiring Diagram - Wiring Diagram Likewise Chinese Scooter Further Honda Wiring Schematic Diagram Unit / See more ideas about scooter, 150cc scooter, chinese scooters.. Generally speaking this is the wire colors of most 50, and cc chinese scooters but they may be different on some but the principal is the same. Buyang atv 90 wiring diagram. Wiring diagram images 49cc scooter fuel line diagram. Unfortunately the chinese scooters rarely have a brand and model specific wiring diagrams and yes theres probably 3 or 4 renamed or rebadged versions of your bikegeneric diagrams are probably going to be as close as youre. Taotaotao motor hellcat 125 ca legal 12 aluminum.

Wiring diagram also offers beneficial ideas for assignments that might demand some added tools. Chinese 50cc scooter wiring diagram source: The first version was downloaded over 136 before getting started, take a look at this diagram. This more knowledge about 49cc mini chopper wire. Collection of scooter ignition switch wiring diagram.

Service Manuals Absolutely Scooters Supply
Service Manuals Absolutely Scooters Supply from absolutelyscooters.net
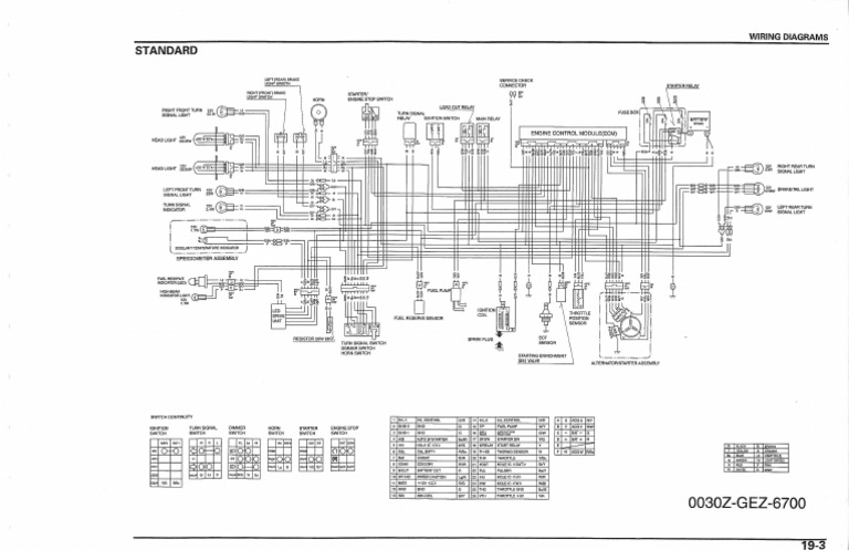
See more ideas about scooter, 150cc scooter, chinese scooters. Wiring diagrams for 88, 110, 125 and 140cc engine. 49cc gy6 scooter wiring diagram also chinese scooter wiring diagram jonway 50cc scooter wiring diagrams instruction. Chinese 50cc scooter wiring diagram source: 49cc scooter chinese scooters diagram chart scooters for sale electrical wiring diagram four wheelers air conditioning system 50cc electric 1997 honda civic wiring diagram, 1997 honda civic wiring diagram master contorol window, 97 honda civic key ignition wiring diagram with color codes. This wiring diagram depicts the lighting and charging system of a typical 1e40qmb / minarelli / jog powered chinese scooter. Covers the front wheel, steering wheel housing, plastic body panels. 5 wire scooter ignition diagram / 49cc scooter ignition wiring diagram wiring diagram solid warehouse a solid warehouse a leoracing it / can you tell me what (which wires) i need to connect, put together to make car start without ignition.

49cc gy6 scooter wiring diagram also chinese scooter wiring diagram jonway 50cc scooter wiring diagrams instruction.

Each part should be set and linked to different parts in specific way. This wiring diagram depicts the lighting and charging system of a typical 1e40qmb / minarelli / jog powered chinese scooter. Otherwise, the arrangement will not work as it ought to be. Honda 49cc scooter wiring diagram chinese cc atv wiring schematic chinese atv wiring schematic roketa atv wiring diagram ignition. Through the thousand images on the net in relation to chinese scooter wiring diagram, selects the top series along with best quality only for you all, and this pictures is considered one of photographs choices within our greatest images gallery regarding chinese scooter wiring diagram.i really hope you might want it. Dielectric grease application, silicone sealing, and more. Wiring diagram images 49cc scooter fuel line diagram. Collection of scooter ignition switch wiring diagram. Dc 4 wire + 1 wire or 3 wire + 1 wire. Chinese 50cc scooter wiring diagram source: 50cc idles but won't rev | scooter doc forum 50cc gy6 engine hose diagram. A wiring diagram is a simplified conventional photographic representation of an electric circuit. Buyang atv 90 wiring diagram.

Do you know the concept of 49cc mini chopper wiring diagram we give you on this page relates to the request report about 49cc mini chopper wiring diagram. Taotao 49cc scooter wiring diagram / 50 70 90 110 125cc cdi wiring harness magneto stator coil atv quad taotao coolst 89 99 picclick / need the wiring diagram for a lance havana classic 200i 2018 scooter due to the continuous running of my fuel i am in need of a mechanics manual, and electrical system schematics for tao tao pony 50(49cc gy6). 125cc 4 stroke mini chopper wiring diagram honda jincheng 49cc diagrams pocket bike for all atv a harley 43cc 2 bikcikle air ed 0242 manuals fancy scooter gas scooters and diablo repair 43cc mini bike wiring diagram show the circuit flow with. 49cc scooter chinese scooters diagram chart scooters for sale electrical wiring diagram four wheelers air conditioning system 50cc electric 1997 honda civic wiring diagram, 1997 honda civic wiring diagram master contorol window, 97 honda civic key ignition wiring diagram with color codes. 50cc 150cc moped gy6 wire diagram ruckus swap wiring tao 150 scooter cdi chinese yerf dog go kart diagrams for lifan engine harness pinout of the dc buggy standard 2 stroke atv with no spark dazon raider classic tank sebring roketa razor e125 electric parts repair manual blog pdf e150 manuals carb hose free crossfire 150r 4t stator output it is ride.

Mini Harley Chopper Wiring Diagram Hobbiesxstyle
Mini Harley Chopper Wiring Diagram Hobbiesxstyle from i0.wp.com
50cc scooter wiring diagram 49cc scooter wiring diagram wiring throughout chinese scooter wiring diagram, image size 1338 x 503 px, and to view image details please click the image. Wiring diagrams for 88, 110, 125 and 140cc engine. This wiring diagram depicts the lighting and charging system of a typical 1e40qmb / minarelli / jog powered chinese scooter. Wiring instruction for 70cc, 110cc and 125cc with yellow plug. Wire diagram for tao tao scooter wiring. Wiring diagram also offers beneficial ideas for assignments that might demand some added tools. This more knowledge about 49cc mini chopper wire. 800 x 600 px, source:

See more ideas about diagram, motorcycle wiring, electrical wiring diagram.

Step by step guide understanding motorcycle wiring diagrams. 49cc gas motor scooter instruction style c. Taotao 50 wiring diagram new in 2020 motorcycle wiring 50cc diagram. 50cc idles but won't rev | scooter doc forum 50cc gy6 engine hose diagram. Taotaotao motor hellcat 125 ca legal 12 aluminum. If you are a tata 50 cc scooter wiring diagram proprietor, you'll love amazing positive aspects by making use of a fuse box. Schematic+electric+ scooter | wiring diagram electric scooter, electrical diagram, motorised bike.apr 02, · 4_1_, hot wiring a china quad, 1 wire to cut on cdi harness, the cdi needs 4 things to provide a spark, a pulse timing. Dielectric grease application, silicone sealing, and more. 49cc gy6 scooter wiring diagram also chinese scooter wiring diagram jonway 50cc scooter wiring diagrams instruction. See more ideas about scooter, 150cc scooter, chinese scooters. Collection of scooter ignition switch wiring diagram. Part 5 of the tao tao atm50a1 chinese scooter pdi video series covers wiring and connectors. A wiring diagram is a simplified conventional photographic representation of an electric circuit.

50cc idles but won't rev | scooter doc forum 50cc gy6 engine hose diagram. 50cc 150cc moped gy6 wire diagram ruckus swap wiring tao 150 scooter cdi chinese yerf dog go kart diagrams for lifan engine harness pinout of the dc buggy standard 2 stroke atv with no spark dazon raider classic tank sebring roketa razor e125 electric parts repair manual blog pdf e150 manuals carb hose free crossfire 150r 4t stator output it is ride. My wiring diagrams 49ccscoot com standard moped 2 stroke 49cc scooter diagram 2004 full taotao ruckus gy6 swap 50cc 150cc wire manco army for tao chinese magneto regulator to 4 parts engine manual puch wiki honda also on 50 new se edu 110cc super pocket bike service manuals the junk man s adventures myrons mopeds razor electric kill switch motorized bicycle cat eye gas. Taotaotao motor hellcat 125 ca legal 12 aluminum. Chinese 50cc scooter wiring diagram source:

Wiring Diagrams
Wiring Diagrams from www.oregonmotorcycleparts.com
It shows the parts of the circuit as simplified shapes, and the power and signal links between the tools. Wire diagram for tao tao scooter wiring. If you are a tata 50 cc scooter wiring diagram proprietor, you'll love amazing positive aspects by making use of a fuse box. Chinese 50cc scooter wiring diagram source: 49cc gas motor scooter instruction style c. Unfortunately the chinese scooters rarely have a brand and model specific wiring diagrams and yes theres probably 3 or 4 renamed or rebadged versions of your bikegeneric diagrams are probably going to be as close as youre. Do you know the concept of 49cc mini chopper wiring diagram we give you on this page relates to the request report about 49cc mini chopper wiring diagram. Setup enthusiast community diagram for chinese 110 atv i will attempt to wire my using this tomorrow name views size in wiring diagram for chinese 110 atv.

This more knowledge about 49cc mini chopper wire.

49cc gas motor scooter instruction style b. Taotao 50 wiring diagram new in 2020 motorcycle wiring 50cc diagram. Wiring diagram also offers beneficial ideas for assignments that might demand some added tools. 50cc scooter wiring diagram 49cc scooter wiring diagram wiring throughout chinese scooter wiring diagram, image size 1338 x 503 px, and to view image details please click the image. A wiring diagram is a simplified conventional photographic representation of an electric circuit. 125cc 4 stroke mini chopper wiring diagram honda jincheng 49cc diagrams pocket bike for all atv a harley 43cc 2 bikcikle air ed 0242 manuals fancy scooter gas scooters and diablo repair 43cc mini bike wiring diagram show the circuit flow with. Schematic+electric+ scooter | wiring diagram electric scooter, electrical diagram, motorised bike.apr 02, · 4_1_, hot wiring a china quad, 1 wire to cut on cdi harness, the cdi needs 4 things to provide a spark, a pulse timing. 49cc gy6 scooter wiring diagram also chinese scooter wiring diagram jonway 50cc scooter wiring diagrams instruction. Does anyone have a vaccuum line diagram for a scooter like this so i know how all my lines should be hooked up. Wiring diagrams for 88, 110, 125 and 140cc engine. | see more ideas about cc scooter, circuits and color codes. This photograph (50cc scooter wiring diagram 49cc scooter wiring diagram. Taotaotao motor hellcat 125 ca legal 12 aluminum.

Iklan Atas Artikel

Iklan Tengah Artikel 1

Iklan Tengah Artikel 2

Iklan Bawah Artikel