Yamaha Ct1 Wiring Diagram - Yamaha Ct1 1969 Usa parts list partsmanual partsfiche - The use of the word yamaha or any specific model designation is purely for informational purposes to assist users of this site and in no way indicate any endorsement by or approval of this site by yamaha motor corporation.

Yamaha Ct1 Wiring Diagram - Yamaha Ct1 1969 Usa parts list partsmanual partsfiche - The use of the word yamaha or any specific model designation is purely for informational purposes to assist users of this site and in no way indicate any endorsement by or approval of this site by yamaha motor corporation.. Yes i have seen that flash file. Yamaha xs 1 650 wiring diagram 1024x698. Yamaha enduro 175 ct1 wiring schematic. Yamaha ct410 tuner schematic 618 kb. Yamaha enduro dt 400 carburetor diagram.

A wiring diagram is a simplified standard photographic depiction of an electric circuit. Car radio stereo audio wiring diagram autoradio connector wire installation schematic schema esquema de conexiones stecker konektor radio wire colors car audio wiring free radio wiring diagrams radio diagram wiring car radio car radio wiring diagrams free car radio wires stock radio. For detail information you can check on image. Yamaha repair wiring schematics / carburetor diagrams. The use of the word yamaha or any specific model designation is purely for informational purposes to assist users of this site and in no way indicate any endorsement by or approval of this site by yamaha motor corporation.

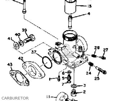
Yamaha Wiring Schematics & Carburetor Diagrams
Yamaha Wiring Schematics & Carburetor Diagrams from www.slimduck.com
I'm specifically looking for something that shows the actual wiring diagram to wire the fuel harness to the sending unit and what the. 1 year ago by maverik. Yamaha ct3 175 electrical wiring diagram related searches for yamaha fs1 wiring diagram yamaha wiring diagrams schematics2006 yamaha wiring diagramyamaha motorcycle wiring diagramyamaha wiring harness diagramyamaha schematic diagramyamaha wiring. It is called yamaha byson in indonesia, equipped with a 150cc engine. This circuit and wiring diagram: We have 146 yamaha diagrams, schematics or service manuals to choose from, all free to download! Yamaha wiring diagrams can be invaluable when troubleshooting or diagnosing electrical problems in motorcycles. Free yamaha motorcycle service manuals for download.

Yamaha crxm5 integrated amplifier service manual 8 mb.

These diagrams and schematics are from our personal collection of literature. Image result for 1989 yamaha zuma wiring diagram. I'm wondering if there is a censor error in the cut off of the fuel pump. Regulator 3 battery 4.fuse and etc. The detail wiring diagram of the 2005 yamaha dt125x consists of 1.cdi mag 2. For detail information you can check on image. Free yamaha motorcycle service manuals for download. The use of the word yamaha or any specific model designation is purely for informational purposes to assist users of this site and in no way indicate any endorsement by or approval of this site by yamaha motor corporation. Assortment of yamaha outboard wiring diagram. Circuit and wiring diagram download: I'm specifically looking for something that shows the actual wiring diagram to wire the fuel harness to the sending unit and what the. It is called yamaha byson in indonesia, equipped with a 150cc engine. I feel like i've searched everything possible on the internet with no success.

Owner manuals offer all the information to maintain your outboard motor. Making modification on raider r150 electrical is difficult without the right electrical diagram. We are currently creating content for this section. This circuit and wiring diagram: I'm wondering if there is a censor error in the cut off of the fuel pump.

Yamaha Ct1 Wiring Diagram - Wiring Diagram Schemas
Yamaha Ct1 Wiring Diagram - Wiring Diagram Schemas from lh3.googleusercontent.com
Owner manuals offer all the information to maintain your outboard motor. Free yamaha motorcycle service manuals for download. Making modification on raider r150 electrical is difficult without the right electrical diagram. Image result for 1989 yamaha zuma wiring diagram. Circuit and wiring diagram download: The use of the word yamaha or any specific model designation is purely for informational purposes to assist users of this site and in no way indicate any endorsement by or approval of this site by yamaha motor corporation. I'm wondering if there is a censor error in the cut off of the fuel pump. Some motorcycle has a bit change in.

It shows the elements of the circuit as simplified shapes, as well as the power and also signal connections between the devices.

All bikes have a color coded wire for. Owner manuals offer all the information to maintain your outboard motor. Making modification on raider r150 electrical is difficult without the right electrical diagram. A wiring diagram is a simplified standard photographic depiction of an electric circuit. Yamaha enduro dt 400 carburetor diagram. A yamaha outboard motor is a purchase of a lifetime and is the highest rated in reliability. Wiring diagram for yamaha ct1 175 enduro. This circuit and wiring diagram: 1 year ago by maverik. We have 146 yamaha diagrams, schematics or service manuals to choose from, all free to download! Yamaha enduro 175 ct1 wiring schematic. Yamaha xs 1 650 wiring diagram 1024x698. This scooter is fuel injected.

It shows the elements of the circuit as simplified shapes, as well as the power and also signal connections between the devices. It is called yamaha byson in indonesia, equipped with a 150cc engine. Circuit and wiring diagram download: Wiring diagram for yamaha ct1 175 enduro. This scooter is fuel injected.

SOLVED: I have a 1977 Yamaha DT 400 that I'm trying to get - Fixya
SOLVED: I have a 1977 Yamaha DT 400 that I'm trying to get - Fixya from www.slimduck.com
It is called yamaha byson in indonesia, equipped with a 150cc engine. Yamaha repair wiring schematics / carburetor diagrams. I'm wondering if there is a censor error in the cut off of the fuel pump. Yamaha ct3 175 electrical wiring diagram related searches for yamaha fs1 wiring diagram yamaha wiring diagrams schematics2006 yamaha wiring diagramyamaha motorcycle wiring diagramyamaha wiring harness diagramyamaha schematic diagramyamaha wiring. Car radio stereo audio wiring diagram autoradio connector wire installation schematic schema esquema de conexiones stecker konektor radio wire colors car audio wiring free radio wiring diagrams radio diagram wiring car radio car radio wiring diagrams free car radio wires stock radio. A wiring diagram is a simplified standard photographic depiction of an electric circuit. Yamaha enduro 175 ct1 wiring schematic. We are currently creating content for this section.

Yamaha repair wiring schematics / carburetor diagrams.

Some motorcycle has a bit change in. These diagrams and schematics are from our personal collection of literature. Yamaha enduro 175 ct1 wiring schematic. Assortment of yamaha outboard wiring diagram. Looking for the wiring diagrams for the yamaha command link plus for single engine. Wiring diagram for yamaha ct1 175 enduro. All bikes have a color coded wire for. Car radio stereo audio wiring diagram autoradio connector wire installation schematic schema esquema de conexiones stecker konektor radio wire colors car audio wiring free radio wiring diagrams radio diagram wiring car radio car radio wiring diagrams free car radio wires stock radio. 1 year ago by maverik. It shows the elements of the circuit as simplified shapes, as well as the power and also signal connections between the devices. The detail wiring diagram of the 2005 yamaha dt125x consists of 1.cdi mag 2. I'm wondering if there is a censor error in the cut off of the fuel pump. On this page you can download yamaha outboard service manual;

Iklan Atas Artikel

Iklan Tengah Artikel 1

Iklan Tengah Artikel 2

Iklan Bawah Artikel