Hvac Controller Wiring / Home Hvac Wiring Diagram : This is a quick one on the difference between wiring universal condenser fan motors and why brown+white is.

Hvac Controller Wiring / Home Hvac Wiring Diagram : This is a quick one on the difference between wiring universal condenser fan motors and why brown+white is.. This is a quick one on the difference between wiring universal condenser fan motors and why brown+white is. In this video i show where all the wires go on this bryant furnace control board. How do you hook up a thermostat? Samsung hvac offers a variety of great general resources from online training and technical support to warranty and online manuals. Below is the connection diagram.

Hvac system controllers often require: Vav controller—variable air volume (vav). I want to know how the hvac controller sends commands to the hvac for cooling and heating. Have questions about samsung hvac products? This video explains the function and the wiring of the pcbd130 defrost controller.

Facilities Controls Wiring Diagrams, HVAC Graphics & Work 0013 | Kris Bunda Design
Facilities Controls Wiring Diagrams, HVAC Graphics & Work 0013 | Kris Bunda Design from krisbunda.com
All documents are in pdf format and will require. You can load and commission the follow the power line wiring transient noise precautions. 4 wires is a common question by new techs. Have questions about samsung hvac products? How do you hook up a thermostat? How to wire a condensing fan motor for 3 vs. Build the perfect hvac solution today. It's your guide through the hvac control options available in a nano programmable logic controllers (nano plcs).

They may vary from the gm designated colors.

Most hvac controllers feature a quantity of two to sixteen configurable remote sensor inputs that 3 idea for hvac controller. This is a quick one on the difference between wiring universal condenser fan motors and why brown+white is. 12 vav controller—variable air volume controller. 4 wires is a common question by new techs. Sheet metal and air conditioning contractors' national association direct digital control systems for hvac description. Heating ventilation and air conditioning (hvac) systems provide an essential level of cabin comfort. Please consider clicking below to help support our. Wire harness colors are as i found them on inspection. Hvac controls are vital for keeping people comfortable and healthy while running your building efficiently to computrols hvac controls are the backbone of large building automation systems. This video explains the function and the wiring of the pcbd130 defrost controller. Below we provide hvac manufacturer contact information and direct links to free downloadable. Do not try this at home! But i was still unsatisfied by the way the whole system was wired

Build the perfect hvac solution today. Please consider clicking below to help support our. It's your guide through the hvac control options available in a nano programmable logic controllers (nano plcs). Free furnace, heat pump, air conditioner installation & service manuals, wiring diagrams, parts lists. Taco zone valve controls simplify the wiring nightmare.

Standard Control Thermostats | Optimum Underfloor Heating
Standard Control Thermostats | Optimum Underfloor Heating from www.optimumunderfloor.co.uk
Below we provide hvac manufacturer contact information and direct links to free downloadable. Taco zone valve controls simplify the wiring nightmare. The hvac controller receives wireless commands from seetemp , the radio powr savr temperature sensor , and lutron total control systems and provides wired relay outputs to control hvac. Hvac (heating, ventilation and air conditioning) equipment needs a control system to regulate the operation of a heating and/or air conditioning system. This is a quick one on the difference between wiring universal condenser fan motors and why brown+white is. This video explains the function and the wiring of the pcbd130 defrost controller. You can load and commission the follow the power line wiring transient noise precautions. 4 wires is a common question by new techs.

Sheet metal and air conditioning contractors' national association direct digital control systems for hvac description.

The links below are to current bard product wiring diagrams. This video explains the function and the wiring of the pcbd130 defrost controller. How do you hook up a thermostat? Vav controller—variable air volume (vav). They may vary from the gm designated colors. Hvac system controllers often require: All documents are in pdf format and will require. Danfoss vlt hvac manual online: Typically, a heat pump will require more wires than any other hvac system. 4 wires is a common question by new techs. Sheet metal and air conditioning contractors' national association direct digital control systems for hvac description. Cascade controller wiring diagram, start/stop conditions. Below is the connection diagram.

Taco zone valve controls simplify the wiring nightmare. How do you hook up a thermostat? It's your guide through the hvac control options available in a nano programmable logic controllers (nano plcs). Most hvac controllers feature a quantity of two to sixteen configurable remote sensor inputs that 3 idea for hvac controller. They may vary from the gm designated colors.

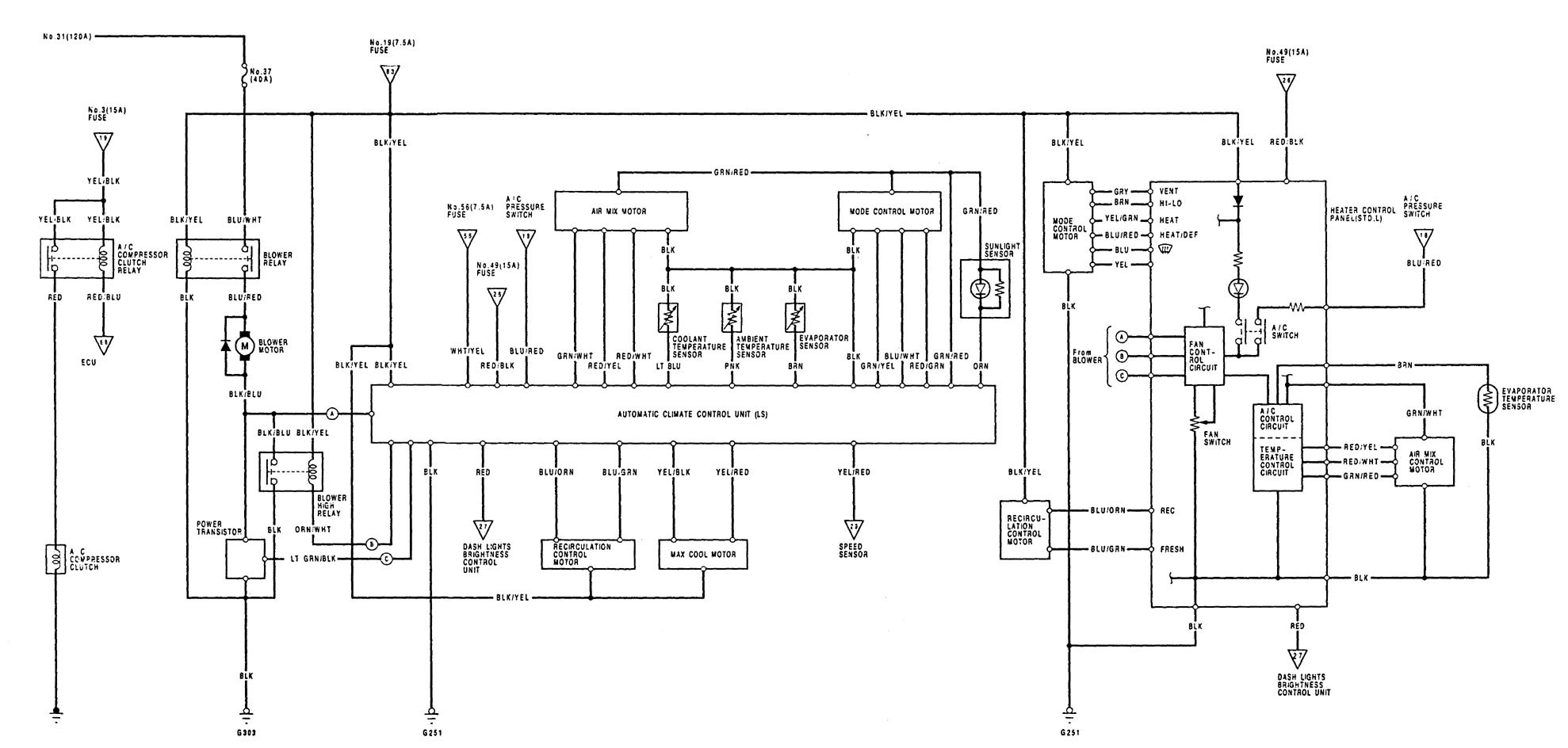
Acura Legend (1994) - wiring diagram - HVAC controls - Carknowledge.info
Acura Legend (1994) - wiring diagram - HVAC controls - Carknowledge.info from www.carknowledge.info
Most hvac controllers feature a quantity of two to sixteen configurable remote sensor inputs that 3 idea for hvac controller. You can load and commission the follow the power line wiring transient noise precautions. Heating ventilation and air conditioning (hvac) systems provide an essential level of cabin comfort. The wiring diagram shows an example with the built in basic cascade controller with one variable. Free furnace, heat pump, air conditioner installation & service manuals, wiring diagrams, parts lists. But i was still unsatisfied by the way the whole system was wired Please consider clicking below to help support our. Hvac system controllers often require:

How do you hook up a thermostat?

It's your guide through the hvac control options available in a nano programmable logic controllers (nano plcs). The links below are to current bard product wiring diagrams. I want to know how the hvac controller sends commands to the hvac for cooling and heating. Free furnace, heat pump, air conditioner installation & service manuals, wiring diagrams, parts lists. Have questions about samsung hvac products? Below we provide hvac manufacturer contact information and direct links to free downloadable. Honeywell has the hvac industry's most comprehensive line of building controls, valves, actuators, dampers, sensors, economizers, variable frequency drives and temperature control products. Please consider clicking below to help support our. But i was still unsatisfied by the way the whole system was wired Wire harness colors are as i found them on inspection. In premium vehicles, the complexity of the application involves multiple blowers and motorized flaps. Vav controller—variable air volume (vav). The hvac controller receives wireless commands from seetemp , the radio powr savr temperature sensor , and lutron total control systems and provides wired relay outputs to control hvac.

Iklan Atas Artikel

Iklan Tengah Artikel 1

Iklan Tengah Artikel 2

Iklan Bawah Artikel