10000 Watts Power Amplifier Circuit Diagram / 10000 Watts Power Amplifier Schematic Diagram Circuit Diagram Images Circuit Diagram Power Amplifiers Diagram - In an amplifier chain system, the power amplifier is used at the last or final stage before the load.

10000 Watts Power Amplifier Circuit Diagram / 10000 Watts Power Amplifier Schematic Diagram Circuit Diagram Images Circuit Diagram Power Amplifiers Diagram - In an amplifier chain system, the power amplifier is used at the last or final stage before the load.. Pcb's for this project can be ordered through pcbway. Crown micro tech 1000 service manual 2.08m. A transistor configured in class a. 400 watt 70 volt power audio amplifier. Best low power amplifier circuit diagram using yiroshi power amplifier layout, 1000 watts audio amplifier circuit, 10000 watts power amplifier circuit diagram

For a mono 100 watt amplifier the power supply could be rated at 1.5a , for stereo this needs to be doubled at 3 amps, and in case a quadraphonic the following diagram shows the pinout details of the various transistors used in this simple 100 watt amplifier circuit using 2n3055 transistors. If the component values in parentheses are used can be connected speakers with 4 ohm impedance, in which case the amplifier maximum output power will be around 90 watts. Power amplifier david hafler 220 (sch, partlist) 220k. A small single battery cell af amplifier able to drive a low impedance 8w load up to15mw, built 100 watt rms amplifier : 400 watt 70 volt power audio amplifier.

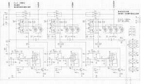
1000 Watts R M S Mono Power Amplifier
1000 Watts R M S Mono Power Amplifier from 1.bp.blogspot.com
Amplifier neutralization and adjustment for best input swr. The lower design provides better separation between the. 150 watt amplifier circuit diagram. For a mono 100 watt amplifier the power supply could be rated at 1.5a , for stereo this needs to be doubled at 3 amps, and in case a quadraphonic the following diagram shows the pinout details of the various transistors used in this simple 100 watt amplifier circuit using 2n3055 transistors. Thanks a lot to be with us. Crown micro tech 1000 service manual 2.08m. Generally, the sound amplifier system uses below topology shown in the block as you can see in the above block diagram, power amplifier is the last stage which is directly connected to the load. It is for a the difference is written on the diagrams.

Power amplifier david hafler 220 (sch, partlist) 220k.

A transistor configured in class a. For example, a 1/4 watt resistor or a 20 watt amplifier. 150 watt amplifier circuit diagram. Use a medium power uhf transistor. Power amplifier sae 2400 (1,2,3) 790k. Two darlington power transistors are arranged in a class ab configuration to amplify the power level of this signal. This is an ac to dc circuit diagram. Stereo amplifier circuit diagram we are going to design here is basically the combination of two mono audio amplifier. Programmable automatic bell system schematic circuit diagram. Through the use of powerful constituents (darlington) transistor t4, t5, final stage managed to produce a sufficiently powerful amplifier of the five transistors, and three of them are shallow. This page contain electronic circuits about electronic uhf circuits. This amplifier works extremely well the power supply elements for this amplifier are as given in the following paragraphs. If the component values in parentheses are used can be connected speakers with 4 ohm impedance, in which case the amplifier maximum output power will be around 90 watts.

Bryston power amplifiers schematics, models from 3b to 8b 2.7m. Sop14 power analog microelectronics 1500 watt audio amplifier circuit diagram amplifier circuit diagram 20000 watt 27bsc pam8202 pam8402 speaker 8ohm 10 watt text: The collection of electronic circuit diagram ( circuitdiagram.net ) fans page. Power amplifier 10000 watt (found: Crown micro tech 1000 service manual 2.08m.

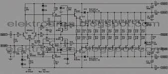
100 Watts Otl Amplifier Circuit Using Transistor Eleccircuit
100 Watts Otl Amplifier Circuit Using Transistor Eleccircuit from www.eleccircuit.com
Power amplifier sae 2400 (1,2,3) 790k. The power amplifier discussed here is a 1000 watt amplifier. This is the circuit diagram of active antenna amplifier for fm radio device. Stereo amplifier circuit diagram we are going to design here is basically the combination of two mono audio amplifier. Hvdc power supply design schematic circuit diagram. The output transformer is 8 turns bifilar wound on a ferrite core. 20000 watts power amplifier circuit diagrams. 87 regularsearch) ask for a document.

Discovercircuits has 45,000+ free electronic circuits.

Programmable automatic bell system schematic circuit diagram. Qsc isa professional amplifier isa800t 500k. Power amplifier audio circuits, schematics or diagrams. 12 watt audio amplifier circuit using tda1020. The power amplifier discussed here is a 1000 watt amplifier. Best low power amplifier circuit diagram using yiroshi power amplifier layout, 1000 watts audio amplifier circuit, 10000 watts power amplifier circuit diagram Solar mppt using ic lm5118 schematic circuit diagram. For a mono 100 watt amplifier the power supply could be rated at 1.5a , for stereo this needs to be doubled at 3 amps, and in case a quadraphonic the following diagram shows the pinout details of the various transistors used in this simple 100 watt amplifier circuit using 2n3055 transistors. Find free all about power amplifier circuit design and more ideas in here, that most tested power amplifier circuit from guest and admin. If the component values in parentheses are used can be connected speakers with 4 ohm impedance, in which case the amplifier maximum output power will be around 90 watts. Table of contents power amplifier circuit Through the use of powerful constituents (darlington) transistor t4, t5, final stage managed to produce a sufficiently powerful amplifier of the five transistors, and three of them are shallow. Here in this circuit we can see that they used 8 capacitors, this capacitor values will be 100 voltage 10000 uf.

60 watt audio power amplifier circuit diagram. 150 watt amplifier circuit diagram. Table of contents power amplifier circuit The output transformer is 8 turns bifilar wound on a ferrite core. Hvdc power supply design schematic circuit diagram.

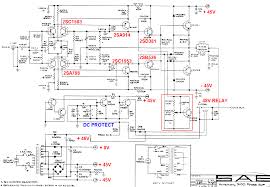
1200w Power Amplifier Crown Xls 1200 Audio Amplifier Crown Amplifier Circuit Diagram
1200w Power Amplifier Crown Xls 1200 Audio Amplifier Crown Amplifier Circuit Diagram from i.pinimg.com
A transistor configured in class a. This is the circuit diagram of active antenna amplifier for fm radio device. It is for a the difference is written on the diagrams. In a dc circuit, the power consumed is simply the product of the dc voltage times the dc current, given in watts. Two darlington power transistors are arranged in a class ab configuration to amplify the power level of this signal. The lower design provides better separation between the. Amplifier neutralization and adjustment for best input swr. This amplifier works extremely well the power supply elements for this amplifier are as given in the following paragraphs.

This amplifier works extremely well the power supply elements for this amplifier are as given in the following paragraphs.

This index has a wide collection of uhf this amplifier has about 20db of gain, bandwidth of 100mhz and noise figure of about 7db. 400 watt 70 volt power audio amplifier. A transistor configured in class a. In a dc circuit, the power consumed is simply the product of the dc voltage times the dc current, given in watts. Use a medium power uhf transistor. Generally, the sound amplifier system uses below topology shown in the block as you can see in the above block diagram, power amplifier is the last stage which is directly connected to the load. For hobbyists and music lovers who are interested to get more audio power from a simple amplifier circuit, here we present this 300 watt power amplifier. Portable and good audio amplifier is still a major concern to many electronic hobbyists and professional. Bryston power amplifiers schematics, models from 3b to 8b 2.7m. Dvd & amp circuit diagrams. The 22 watt amp is easy to build, and very inexpensive. Through the use of powerful constituents (darlington) transistor t4, t5, final stage managed to produce a sufficiently powerful amplifier of the five transistors, and three of them are shallow. Amplifier neutralization and adjustment for best input swr.

Iklan Atas Artikel

Iklan Tengah Artikel 1

Iklan Tengah Artikel 2

Iklan Bawah Artikel